XENON ENGINEERING horizontal slurry pumps are extra heavy-duty and designed especially the most demanding pumping applications in mind.
Typical applications
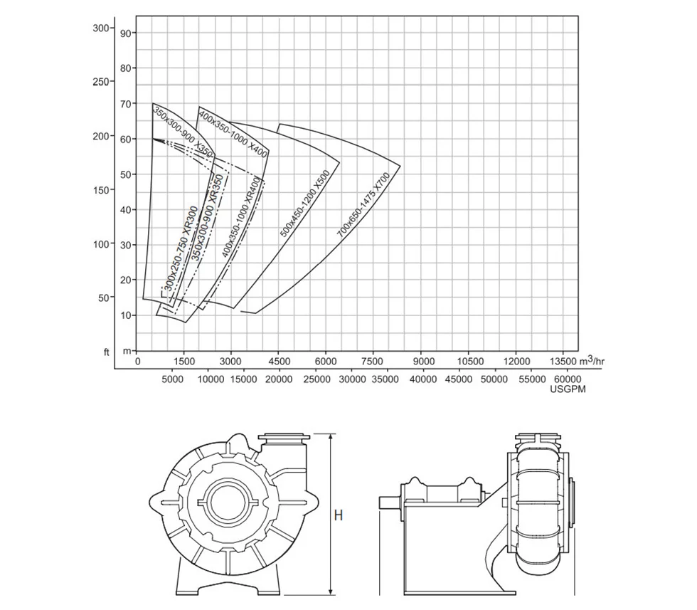
| Capacity | Up to 1590 m³/hr |
| Head | 10-61 m |
| Power | 120 kw |
| Temperature | Max. Temp. - 260°C |
| Speed | 500-1140 r/min |
| Layout | Horizontal |
| Drive Mode | DC Direct drive, Cr parallel belt drive, zv upper and lower belt drive, CV vertical belt drive, etc |

Absolutely fantastic!
My business was struggling
and now I have more work
than I can handle!
Mike Jones – Wigan

Three years ago, I had one van and struggling to get work, and now I have seven vans and a team of 16 roofers!
Jason Williams – Wirral

Whatever you guys are doing, keep doing it! My workload has skyrocketed and I'm booked up for months!
Peter Henderson - London

The best money I have ever spent trying to grow my business! There's so many scammers out there!
Adam Waters - Birmingham
© 2025 Copyright: Xenon Engineerings.com
© 2025 Water Pump Manufacturing. All rights reserved. | Designed with ❤️